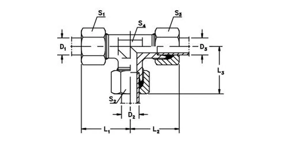
Tee Reducer-TR Hydraulic Fittings
Tee Reducer-TR hydraulic fittings are essential components used in hydraulic systems to connect and redirect fluid flow. These fittings provide a versatile solution for branching or combining fluid lines of different sizes and configurations. The Tee Reducer-TR fitting is designed to connect three hydraulic lines, allowing fluid to flow in multiple directions simultaneously.The Tee Reducer-TR fitting consists of a T-shaped body with three ports: two ports of different sizes on one side and a third port on the opposite side. The ports are typically threaded or equipped with compression fittings to ensure a secure and leak-proof connection. The larger port is used for the main hydraulic line, while the smaller port is connected to a branch line. The third port is usually capped or plugged when not in use.One of the primary functions of the Tee Reducer-TR hydraulic fitting is to reduce or increase the size of the hydraulic lines. For example, if a hydraulic system requires fluid flow to be redirected from a larger line to a smaller line, the Tee Reducer-TR fitting is used to achieve the transition smoothly. Similarly, it can be used to combine fluid flow from two smaller lines into a larger line.These hydraulic fittings are commonly made from durable materials such as steel, brass, or stainless steel, which can withstand high pressures and resist corrosion. The choice of material depends on the specific application and the operating conditions of the hydraulic system.When installing Tee Reducer-TR hydraulic fittings, it is crucial to follow proper assembly techniques and use compatible fittings and hoses to ensure optimal performance and prevent leaks. It is also important to consider factors such as pressure ratings, temperature limitations, and fluid compatibility when selecting the appropriate fittings for a hydraulic system.

| TRPart NO. | Series WorkingPressure (bar/psi) | Tube O.D. | L1 | L2 | L3 | S1 | S2 | S3 | S4 | ||
| D1 | D2 | D3 | |||||||||
| -TR04/08/04LL | LL100bar 1450psi | 4 | 8 | 4 | 23 | 23 | 23 | 10 | 14 | 10 | 12 |
| -TR06/04/06LL | 6 | 4 | 6 | 21 | 21 | 21 | 12 | 10 | 12 | 11 | |
| -TR06/08/06L | L light 315 bar4560 psi | 6 | 8 | 6 | 29 | 29 | 29 | 14 | 17 | 14 | 14 |
| -TR08/06/08L | 8 | 6 | 8 | 29 | 29 | 29 | 17 | 14 | 17 | 14 | |
| -TR06/10/06L | 6 | 10 | 6 | 30 | 30 | 30 | 14 | 19 | 14 | 14 | |
| -TR08/10/08L | 8 | 10 | 8 | 30 | 30 | 30 | 17 | 19 | 17 | 14 | |
| -TR10/06/10L | 10 | 6 | 10 | 30 | 30 | 30 | 19 | 14 | 19 | 14 | |
| -TR10/08/10L | 10 | 8 | 10 | 30 | 30 | 30 | 19 | 17 | 19 | 14 | |
| -TR10/10/06L | 10 | 10 | 6 | 30 | 30 | 30 | 19 | 19 | 14 | 14 | |
| -TR08/12/08L | 8 | 12 | 8 | 32 | 32 | 32 | 17 | 22 | 17 | 17 | |
| -TR12/06/12L | 12 | 6 | 12 | 32 | 32 | 32 | 22 | 14 | 22 | 17 | |
| -TR12/08/08L | 12 | 8 | 8 | 32 | 32 | 32 | 22 | 17 | 17 | 17 | |
| -TR12/08/12L | 12 | 8 | 12 | 32 | 32 | 32 | 22 | 17 | 22 | 17 | |
| -TR12/10/10L | 12 | 10 | 10 | 32 | 32 | 32 | 22 | 19 | 19 | 17 | |
| -TR12/10/12L | 12 | 10 | 12 | 32 | 32 | 32 | 22 | 19 | 22 | 17 | |
| -TR12/12/10L | 12 | 12 | 10 | 32 | 32 | 32 | 22 | 22 | 19 | 17 | |
| -TR10/15/10L | 10 | 15 | 10 | 36 | 36 | 36 | 19 | 27 | 19 | 19 | |
| -TR12/15/12L | 12 | 15 | 12 | 36 | 36 | 36 | 22 | 27 | 22 | 19 | |
| -TR15/06/15L | 15 | 6 | 15 | 36 | 36 | 36 | 27 | 14 | 27 | 19 | |
| -TR15/10/15L | 15 | 10 | 15 | 36 | 36 | 36 | 27 | 19 | 27 | 19 | |
| -TR15/12/12L | 15 | 12 | 12 | 36 | 36 | 36 | 27 | 22 | 22 | 19 | |
| -TR15/12/15L | 15 | 12 | 15 | 36 | 36 | 36 | 27 | 22 | 27 | 19 | |
| -TR15/15/12L | 15 | 15 | 12 | 36 | 36 | 36 | 27 | 27 | 22 | 19 | |
| -TR12/18/12L | 12 | 18 | 12 | 39 | 39 | 40 | 22 | 32 | 22 | 24 | |
| -TR18/10/10L | 18 | 10 | 10 | 40 | 39 | 39 | 32 | 19 | 19 | 24 | |
| -TR18/10/18L | 18 | 10 | 18 | 40 | 40 | 39 | 32 | 19 | 32 | 24 | |
| -TR18/12/18L | 18 | 12 | 18 | 40 | 40 | 39 | 32 | 22 | 32 | 24 | |
| -TR18/15/18L | 18 | 15 | 18 | 40 | 40 | 39 | 32 | 27 | 32 | 24 | |
| -TR18/18/10L | 18 | 18 | 10 | 40 | 39 | 40 | 32 | 32 | 19 | 24 | |
| -TR22/10/22L | L light 160 bar2320 psi | 22 | 10 | 22 | 44 | 44 | 43 | 36 | 19 | 36 | 27 |
| -TR22/12/22L | 22 | 12 | 22 | 44 | 44 | 43 | 36 | 22 | 36 | 27 | |
| -TR22/15/15L | 22 | 15 | 15 | 44 | 43 | 43 | 36 | 27 | 27 | 27 | |
| -TR22/15/22L | 22 | 15 | 22 | 44 | 44 | 43 | 36 | 27 | 36 | 27 | |
| -TR22/18/18L | 22 | 18 | 18 | 44 | 44 | 44 | 36 | 32 | 32 | 27 | |
| -TR22/18/22L | 22 | 18 | 22 | 44 | 44 | 44 | 36 | 32 | 36 | 27 | |
| -TR22/22/18L | 22 | 22 | 18 | 44 | 44 | 44 | 36 | 36 | 32 | 27 | |
| -TR28/10/28L | 28 | 10 | 28 | 47 | 47 | 46 | 41 | 19 | 41 | 36 | |
| -TR28/12/28L | 28 | 12 | 28 | 47 | 47 | 46 | 41 | 22 | 41 | 36 | |
| -TR28/15/28L | 28 | 15 | 28 | 47 | 47 | 46 | 41 | 27 | 41 | 36 | |
| -TR28/18/28L | 28 | 18 | 28 | 47 | 47 | 47 | 41 | 32 | 41 | 36 | |
| -TR28/22/22L | 28 | 22 | 22 | 47 | 47 | 47 | 41 | 36 | 36 | 36 | |
| -TR28/22/28L | 28 | 22 | 28 | 47 | 47 | 47 | 41 | 36 | 41 | 36 | |
| TR10/06/10S | S heavy 630 bar9130 psii | 10 | 6 | 10 | 34 | 34 | 33 | 22 | 17 | 22 | 17 |
| TR12/08/08S | 12 | 8 | 8 | 38 | 37 | 37 | 24 | 19 | 19 | 17 | |
| TR12/08/12S | 12 | 8 | 12 | 38 | 38 | 37 | 24 | 19 | 24 | 17 | |
| TR12/10/12S | 12 | 10 | 12 | 38 | 38 | 38 | 24 | 22 | 24 | 17 | |
| TR12/16/12S | S heavy 400 bar5800 ps | 12 | 16 | 12 | 42 | 42 | 43 | 24 | 30 | 24 | 24 |
| TR16/06/16S | 16 | 6 | 16 | 43 | 43 | 41 | 30 | 17 | 30 | 24 | |
| TR16/08/16S | 16 | 8 | 16 | 43 | 43 | 41 | 30 | 19 | 30 | 24 | |
| TR16/10/16S | 16 | 10 | 16 | 43 | 43 | 42 | 30 | 22 | 30 | 24 | |
| TR16/12/16S | 16 | 12 | 16 | 43 | 43 | 42 | 30 | 24 | 30 | 24 | |
| TR16/20/16S | 16 | 20 | 16 | 47 | 47 | 48 | 30 | 36 | 30 | 27 | |
| TR20/10/20S | 20 | 10 | 20 | 48 | 48 | 46 | 36 | 22 | 36 | 27 | |
| TR20/12/20S | 20 | 12 | 20 | 48 | 48 | 46 | 36 | 24 | 6 | 27 | |
| TR20/16/20S | 20 | 16 | 20 | 48 | 48 | 47 | 36 | 30 | 36 | 27 | |
| TR20/25/20S | 20 | 25 | 20 | 53 | 53 | 54 | 36 | 46 | 36 | 36 | |
| TR25/16/25S | 25 | 16 | 25 | 54 | 54 | 52 | 46 | 30 | 46 | 36 | |
| TR25/20/25S | 25 | 20 | 25 | 54 | 54 | 53 | 46 | ||||
Address
Luotuo Industrial Area, Zhenhai District, Ningbo City, China
Tel
