
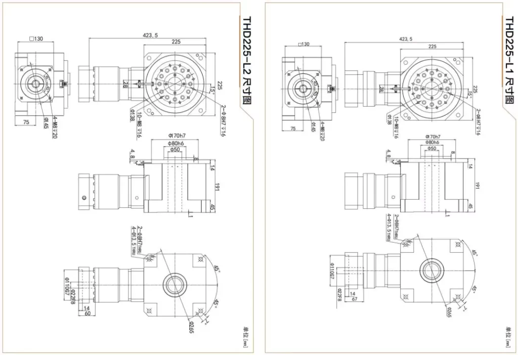
| THD225 | |
| Ratio | Single stage 15/21/30Double stage 60/75/105/120/150/210/300 |
| Rated output torque | Single stage 1350/1200/1000Double stage 1350/1350/1350/1350/1350/1350/1200/1200 |
| Maximum output torque | 3x rated torque |
| Positioning accuracy | ≤2arc-min Single stage |
| ≤4arc-min Double stage | |
| Repeated positioning accuracy | ≤30arc-sec Single stage |
| ≤60arc-sec Double stage | |
| Bearing structure | Cross Roller Bearing |
| Permissible disc speed | 200r pm(Intermittent operation) |
| Adaptive servo motor | 1000-3000W |
| Adapt to stepper motors | 110-130stepper |
| Allowable axial load | 19500N |
| Permissible radial load | 19500N |
| Design load-bearing capacity | 480KG |
| Allowable moment of inertia | 220Nm |
| Torsion rigidity | 80Nm/arcmin |
| Overturning moment | 2530Nm |
| Precision lifespan | 20000h(Intermittent operation) |
| Protection level | IP54 |
| Lubrication method | Long lasting lubrication |
| Installation method | arbitrarily |
| Concentricity of rotating platform | ≤0.01 |
| Parallelism of rotating platform | ≤0.01 |
| Transmission efficiency | Single stage 95% Double stage90% |
| Noise | ≤67B |
| Weight | Single stage 36KG Double stage39.2KG |



| Design and Selection Considerations | Description |
|---|---|
| Load capacity | The maximum load the device can handle |
| Speed and accuracy | How fast and accurate the device needs to be |
| Environmental conditions | The temperature, humidity, and other environmental factors the device needs to operate in |
| Mounting requirements | The requirements for mounting the device |
| Interface requirements | The requirements for connecting the device to the load |

Address
Luotuo Industrial Area, Zhenhai District, Ningbo City, China
Tel
