XTB100 Bushings for Conveyor Pulleys
XTB100 bushings are a type of bushing used in conveyor pulleys to mount the pulley onto the shaft. These bushings are designed to fit a specific shaft size and have a tapered bore that allows for a tight fit between the bushing and the shaft. The XTB100 bushing is made from high-strength steel and is typically coated with a rust-resistant material to protect against corrosion.One of the main advantages of using XTB100 bushings is that they allow for easy installation and removal of conveyor pulleys. This is because the bushing can be easily mounted onto the shaft using set screws, and the pulley can then be mounted onto the bushing using a keyway or other locking mechanism. This makes it easy to replace worn or damaged pulleys without having to remove the entire shaft from the conveyor system.Overall, XTB100 bushings are a reliable and cost-effective solution for mounting conveyor pulleys onto shafts. They are widely used in a variety of industries, including mining, agriculture, and manufacturing, where conveyor systems are used to transport materials and products.

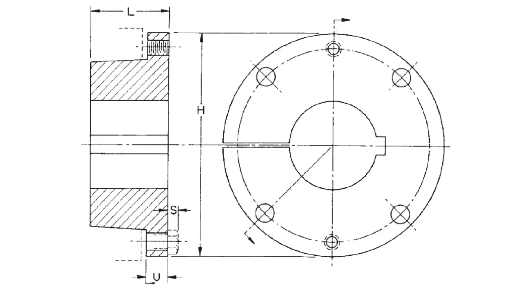
| Bushing Part No. | XTB100 Bushings | |
| Dimensions | L | 6 3/16" |
| U | 1 9/16" | |
| H | 17 15/16" | |
| S | 11/16" | |
| Cap Screws | No | 6 |
| Size | 1 1/8" X 3 1/2" | |
| Wt lbs | 146.0 | |
| Bushing Part No. | Stock Bores | Keyseat | Key Supplied |
| XTB100 Bushing | 81/2", 9"9 7/16", 9 1/2", 10" | 2" X 3/4"2 1/2" X 7/8" | nonenone |
![]() | ![]() |
![]() | ![]() |
| XTB100 Bushings | XTH100 Hubs |
![]() | ![]() |
Address
Luotuo Industrial Area, Zhenhai District, Ningbo City, China
Tel
