XTB120 Bushings for Conveyor Pulleys
The XTB120 bushings are a type of locking mechanism used in conveyor pulleys to secure the pulley to the shaft of the conveyor. They are designed to fit into the bore of the pulley and onto the shaft, providing a secure and durable connection that can withstand the stresses and strains of a heavy-duty conveyor operation.The XTB120 bushings are made of high-strength steel and feature a tapered design that allows for easy installation and removal without the need for special tools or equipment. They also incorporate a series of internal locking elements that grip the shaft tightly, preventing slippage and ensuring maximum power transmission.XTB120 bushings are commonly used in a wide range of conveyor applications, including mining, quarrying, and material handling. They are available in a variety of sizes to fit different pulley and shaft diameters and can be used with both keyed and keyless shafts.

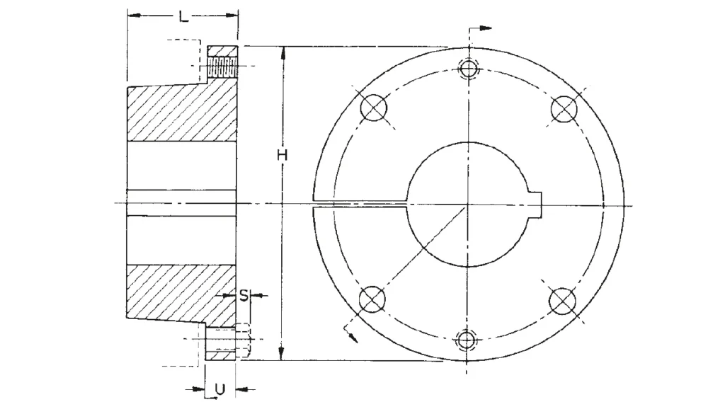
| Bushing Part No. | XTB120 Bushings | |
| Dimensions | L | 7 1/16" |
| U | 1 3/4" | |
| H | 20 5/8" | |
| S | 11/16" | |
| Cap Screws | No | 8 |
| Size | 1 1/8" X 3 1/2" | |
| Wt lbs | 216.0 | |
| Bushing Part No. | Stock Bores | Keyseat | Key Supplied |
| XTB120 Bushing | 10 1/2", 11"11 1/2", 12" | 2 1/2" X 7/8"3" X 1" | nonenone |
![]() | ![]() |
![]() | ![]() |
| XT Bushings | Taper Lock Bushings |
![]() | ![]() |
Address
Luotuo Industrial Area, Zhenhai District, Ningbo City, China
Tel
