Raydafon Technology Group Co.,Limited
Raydafon Technology Group Co.,Limited
Products
Products
Z Series Conveyor Chains Z40 Z100 Z160 Z300
  • Z Series Conveyor Chains Z40 Z100 Z160 Z300Z Series Conveyor Chains Z40 Z100 Z160 Z300

Z Series Conveyor Chains Z40 Z100 Z160 Z300

Engineered for maximum durability, Raydafon Group's Z Series Conveyor Chains—Z40, Z100, Z160, and Z300—deliver smooth, reliable material handling in heavy-duty applications. Crafted from high-strength materials with precision design, these chains offer superior performance, reducing downtime and enhancing efficiency for industrial users. Experience robust, seamless operation that solves maintenance challenges, setting a new standard with enhanced corrosion resistance and extended lifespan. Trust Raydafon Group for quality that drives your success.

Z Series Conveyor Chains Z40 Z100 Z160 Z300

The standard chains of the ZMC range include products made according to the primary international standards (ISO1977, DIN 8165, DIN 8167, DIN 8168, British standard 4119, ANSI / ASME B29.100) and nonstandard chains of everyday use.Versatile and reliable, the standard chains offer the designer a wide choice of solutions for conveyor chains in various sectors. The range of ZMC standard chains covers a vast field in terms of dimensions, mechanical characteristics, and geometry. They are both metric and imperial chains, with solid, hollow, or extended pins. Standard or deep-link plates with attachments are available. In most cases, an alternative with hardened plates increases the breaking load and, on request, in stainless steel or zinc-plated finish.For the sake of identification and research, the traditional ZMC vocabulary is associated with the main series of standard chains:Z series - Chains with inch pitch according to the English standard BS4119 Part4M Series - Chains with metric pitch ISO1977, DIN 8167, DIN 8168 standardsSeries C - Metric pitch chains according to DIN 8165, internationally known also as FV chains
Z Series Conveyor Chains Z40 Z100 Z160 Z300

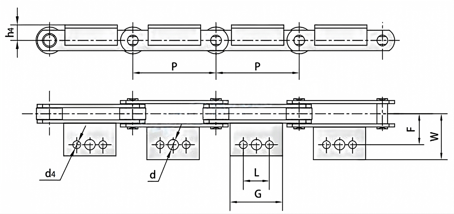
Specifications of Z Series Conveyor Chains

Z Series Conveyor Chains Z40 Z100 Z160 Z300

Z Series Conveyor Chains with Attachments

Z Series Conveyor Chains Z40 Z100 Z160 Z300Z Series Conveyor Chains Z40 Z100 Z160 Z300

Conveyor Chains Design

Z Series Conveyor Chains Z40 Z100 Z160 Z300

Sprockets For Chains

There are many different types of sprockets for chains. Some are made of stainless steel, while others are made of non-stainless steel. Stainless steel sprockets are ideal for harsh environments and are usually 304-grade stainless steel. You can also find 316-grade stainless steel sprockets, which are ideal for extreme corrosive conditions. In addition to standard sizes, you can also find idler sprockets with a ball bearing pressed in.There are two standards for sprockets: ISO and metric. ISO sprockets are used in most American, European, and Asian machines. In the United States, ISO sprockets are used to meet stringent standards, while metric sprockets are more flexible and interchangeable with European-style chains. For the most part, sprockets are interchangeable, although there is still a small number of exceptions to this rule.The most common type of sprockets are made from metal or reinforced plastic. These devices are closely related to gears, and their wheel-shaped design with teeth allows them to span greater distances than their mating gears. Most sprocket and chain systems are similar to bicycle chain assemblies.To choose sprockets for chains, it's essential to get the size and pitch of the chain. Depending on your requirements, you may want to select one that has wide teeth or a sprocket with small teeth. In addition to pitch, you should also consider the size of the drive shaft. For example, if the chain is large, you will need a sprocket that is wide. For smaller chains, you'll need a sprocket with smaller teeth. Likewise, you should consider the sprocket bore.As a professional transmission parts manufacturer and supplier in China, Raydafon offers a variety of high-quality?drive chains?and?sprockets for sale. Contact now!Z Series Conveyor Chains Z40 Z100 Z160 Z300

Related Chains for Sale

Z Series Conveyor Chains Z40 Z100 Z160 Z300

Why Choose Raydafon Conveyor Chains?

Raydafon transmission group is a professional manufacturer of particular chains with large pitches. We have a complete chain production line, equipment selection, and process design that adhere to high efficiency, energy-saving, and automation, with perfect testing equipment, high-quality enterprise management, and professional technical personnel. We focus on the production, processing, and sales of the drive chains, particular chains, chain accessories, machinery parts, and so on, forming an "aluminum, fine, special, creative" separate chain development and production system. We have mastered the core technology of chain production and are proficient in core processing. All products are widely used in sugar, paper, cement, wood, food, mining, metallurgy, and other industries. We pay attention to the reputation of product quality through IS09001:2008 quality management system certification and obtain self-supporting, agent-related products and technology import and export business qualifications. Our products are exported to all provinces and cities in China, Europe, America, and Southeast Asia.
Z Series Conveyor Chains Z40 Z100 Z160 Z300
Z Series Conveyor Chains Z40 Z100 Z160 Z300
1. Large bell-type intelligent annealing furnace:
stable and reliable annealing quality and low energy consumption2. Mesh belt furnace:
first-class domestic mesh belt furnace heat treatment production line3. Multipurpose furnace:
Epson multipurpose furnace provides stable and reliable heat treatment quality4. ABB intelligent welding robot:
instead of manual completion of complex welding operations, the welding is beautiful, stable, and reliable
5. Automatic hot riveter:?the self-developed automatic assembly line of welding chain can replace manual to realize automatic outcrop and hot riveting, with stable products, high precision, and high efficiency6. Induction quenching equipment:?the self-developed semi-automatic induction quenching equipment successfully realizes selective (local) induction quenching of pin shaft and induction quenching of sprocket teeth7. Programmable gantry cutting machine:?it has the functions of plasma cutting and flame cutting8. CNC machining center:?CNC vertical machining center and CNC horizontal machining center, which meet the processing of high-precision molds and products
Hot Tags: Z Series Conveyor Chains, Z40 Conveyor Chain Supplier, Z100 Conveyor Chain Manufacturer
Send Inquiry
Contact Info
Get customized quotes for transmission components, gearboxes, and machinery. Our engineers will respond within 24 hours.
Online
X
We use cookies to offer you a better browsing experience, analyze site traffic and personalize content. By using this site, you agree to our use of cookies. Privacy Policy
Reject Accept