Assembled Adjustable Swivel Brunch Tee-ET-R-ED Hydraulic Fittings
Assembled Adjustable Swivel Brunch Tee-ET-R-ED hydraulic fittings are a type of hydraulic fitting that is used to split or combine hydraulic fluid flow. They are T-shaped, with one inlet port and two outlet ports. The swivel feature allows the outlet ports to be rotated independently of the inlet port, making them ideal for applications where flexibility is required.
The Assembled Adjustable Swivel Brunch Tee-ET-R-ED Hydraulic Fittings are designed for high-pressure applications, with a working pressure of up to 630 bar (9130 psi). They are made from high-quality materials, including stainless steel and brass, and are available in a variety of sizes to suit different needs.
Assembled Adjustable Swivel Brunch Tee-ET-R-ED Hydraulic Fittings are typically used in a variety of industries, including construction, mining, agriculture, and manufacturing. They are also commonly used in hydraulic systems for heavy machinery and vehicles.
Here are some of the key features and benefits of Assembled Adjustable Swivel Brunch Tee-ET-R-ED hydraulic fittings:


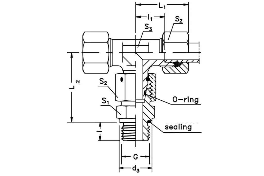
| ET-MPart NO. | SeriesWorking Pressure (bar/psi) | Tube O.d | Gmale thread | d3 | i | l1 | L1 | L2 | S1 | S2 | S3 |
| ET06LRED | L Light 315 bar4560 psi | 6 | G 1/8A | 14 | 8 | 12 | 27 | 34.5 | 14 | 14 | 12 |
| ET08LRED | 8 | G 1/4A | 19 | 12 | 14 | 29 | 37.5 | 19 | 17 | 12 | |
| ET10LRED | 10 | G 1/4A | 19 | 12 | 15 | 30 | 40 | 19 | 19 | 14 | |
| ET12LRED | 12 | G 3/8A | 22 | 12 | 17 | 32 | 42 | 22 | 22 | 17 | |
| ET15LRED | 15 | G 1/2A | 27 | 12 | 21 | 36 | 46.5 | 27 | 27 | 19 | |
| ET18LRED | 18 | G 1/2A | 27 | 14 | 23.5 | 40 | 50 | 27 | 32 | 24 | |
| ET22LRED | 160 bar 2320psi | 22 | G 3/4A | 32 | 16 | 27.5 | 44 | 55 | 32 | 36 | 27 |
| ET28LRED | 28 | G 1A | 40 | 18 | 30.5 | 47 | 59 | 41 | 41 | 36 | |
| ET35LRED | 35 | G 1 1/4A | 50 | 20 | 34.5 | 56 | 68.5 | 50 | 50 | 41 | |
| ET42LRED | 42 | G 1 1/2A | 55 | 22 | 40 | 63 | 75 | 55 | 60 | 50 | |
| ET06SRED | S Heavy 630 bar9130 psi | 6 | G 1/4A | 19 | 12 | 16 | 31 | 40 | 19 | 17 | 12 |
| ET08SRED | 8 | G 1/4A | 19 | 12 | 17 | 32 | 42.5 | 19 | 19 | 14 | |
| ET10SRED | 10 | G 3/8A | 22 | 12 | 17.5 | 34 | 45 | 22 | 22 | 17 | |
| ET12SRED | 12 | G 3/8A | 22 | 12 | 21.5 | 38 | 48 | 22 | 24 | 17 | |
| ET14SRED | 14 | G 1/2A | 27 | 14 | 22 | 40 | 54 | 27 | 27 | 19 | |
| ET16SRED | 16 | G 1/2A | 27 | 14 | 24.5 | 43 | 55 | 27 | 30 | 24 | |
| ET20SRED | 400 bar5800 psi | 20 | G 3/4A | 32 | 16 | 26.5 | 48 | 65 | 32 | 36 | 27 |
| ET25SRED | 25 | G 1A | 40 | 18 | 30 | 54 | 73 | 41 | 46 | 36 | |
| ET30SRED | 30 | G 1 1/4A | 50 | 20 | 35.5 | 62 | 78.5 | 50 | 50 | 41 | |
| ET38SRED | 315 bar4560 psi | 38 | G 1 1/2A | 55 | 22 | 41 | 72 | 89 | 55 | 60 | 50 |
![]() | ![]() |

Address
Luotuo Industrial Area, Zhenhai District, Ningbo City, China
Tel
