Assembled Adjustable Swivel Run Tee-EL-M-ED Hydraulic Fittings
Assembled Adjustable Swivel Run Tee-EL-M-ED Hydraulic Fittings are a type of hydraulic fitting that is used to connect three hydraulic hoses together. They are designed to be adjustable, so that the angle between the hoses can be changed. This makes them ideal for use in applications where flexibility is required.
Assembled Adjustable Swivel Run Tee-EL-M-ED Hydraulic Fittings are made from high-quality materials and are designed to withstand high pressures and temperatures. They are also corrosion-resistant, making them suitable for use in a variety of environments.
Assembled Adjustable Swivel Run Tee-EL-M-ED Hydraulic Fittings are available in a variety of sizes and configurations to meet the needs of any application. They are also easy to install and maintain, making them a popular choice for hydraulic engineers.


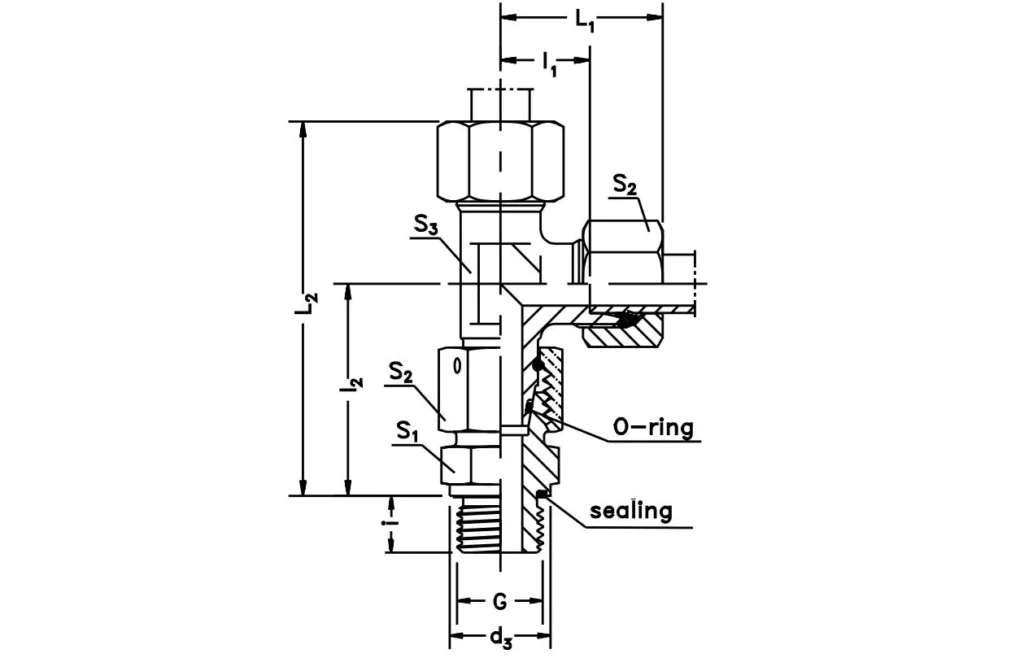
| EL-MPart NO. | SeriesWorkingPressure (bar/psi) | Tube O.d | Gmale thread | d3 | i | l1 | L1 | L2 | S1 | S2 | S3 |
| EL06LMED | L Light 315 bar4560 psi | 6 | M10 x1 | 14 | 8 | 12 | 27 | 34.5 | 14 | 14 | 12 |
| EL08LMED | 8 | M12 x1.5 | 19 | 12 | 14 | 29 | 37.5 | 19 | 17 | 12 | |
| EL10LMED | 10 | M14x1.5 | 19 | 12 | 15 | 30 | 40 | 19 | 19 | 14 | |
| EL12LMED | 12 | M16x1.5 | 22 | 12 | 17 | 32 | 42 | 22 | 22 | 17 | |
| EL15LMED | 15 | M18x1.5 | 27 | 12 | 21 | 36 | 46.5 | 27 | 27 | 19 | |
| EL18LMED | 18 | M22x1.5 | 27 | 14 | 23.5 | 40 | 50 | 27 | 32 | 24 | |
| EL22LMED | 160 bar 2320psi | 22 | M26x1.5 | 32 | 16 | 27.5 | 44 | 55 | 32 | 36 | 27 |
| EL28LMED | 28 | M33x2 | 40 | 18 | 30.5 | 47 | 59 | 41 | 41 | 36 | |
| EL35LMED | 35 | M42x2 | 50 | 20 | 34.5 | 56 | 68.5 | 50 | 50 | 41 | |
| EL42LMED | 42 | M48x2 | 55 | 22 | 40 | 63 | 75 | 55 | 60 | 50 | |
| EL06SMED | S Heavy 630 bar9130 psi | 6 | M12 x1.5 | 19 | 12 | 16 | 31 | 40 | 19 | 17 | 12 |
| EL08SMED | 8 | M14x1.5 | 19 | 12 | 17 | 32 | 42.5 | 19 | 19 | 14 | |
| EL10SMED | 10 | M16x1.5 | 22 | 12 | 17.5 | 34 | 45 | 22 | 22 | 17 | |
| EL12SMED | 12 | M18x1.5 | 22 | 12 | 21.5 | 38 | 48 | 22 | 24 | 17 | |
| EL14SMED | 14 | M20x1.5 | 27 | 14 | 22 | 40 | 54 | 27 | 27 | 19 | |
| EL16SMED | 16 | M22x1.5 | 27 | 14 | 24.5 | 43 | 55 | 27 | 30 | 24 | |
| EL20SMED | 400 bar5800 psi | 20 | M27 x2 | 32 | 16 | 26.5 | 48 | 65 | 32 | 36 | 27 |
| EL25SMED | 25 | M33x2 | 40 | 18 | 30 | 54 | 73 | 41 | 46 | 36 | |
| EL30SMED | 30 | M42x2 | 50 | 20 | 35.5 | 62 | 78.5 | 50 | 50 | 41 | |
| EL38SMED | 315 bar4560 psi | 38 | M48x2 | 55 | 22 | 41 | 72 | 89 | 55 | 60 | 50 |
![]() | ![]() |

Address
Luotuo Industrial Area, Zhenhai District, Ningbo City, China
Tel
