DXG50/DXG50 D Series Shaft Mounted Gearbox for Mining and Quarry
ATA Series Shaft Mounted Gearbox is widely applied in the mining industry for use in crushers, ore mills, cranes, screening machines, conveyors, and more. The motorized pulley (drum motor) is configured with an ATA shaft-mounted gearbox and then it directly transmits power to the conveyor. The ATA Series Shaft Mounted Gearbox has rated power from 1.1kW to 193kW, a rated torque range of 180 to 17000 NM, and an output speed of 25 – 300 RPM. These make this gearbox series a great choice for wide applications in quarry and mine. This model is widely used in belt conveyors and pulley drive systems.
| Model | i | n1=1400r/min | n1=900r/min | n1=500r/min | |||||||||
| n2 | Mn2 | Pn1 | Rn1 | n2 | Mn2 | Pn1 | Rn1 | n2 | Mn2 | Pn1 | Rn1 | ||
| r/min | N/m | kW | N | r/min | N/m | kW | N | r/min | N/m | kW | N | ||
| DXG50 | 5 | 280 | 1400 | 42 | 2250 | 180 | 1700 | 33 | 2500 | 100 | 1900 | 20 | 3100 |
| DXG50-D | 10 | 140 | 1750 | 27 | 1700 | 90 | 1900 | 18.8 | 1900 | 50 | 2000 | 11 | 2400 |
| 12.2 | 114 | 1800 | 23 | 1700 | 73 | 1900 | 15.7 | 1900 | 41 | 2000 | 9.2 | 2400 | |
| 15 | 93 | 1900 | 19.5 | 1700 | 60 | 1950 | 12.9 | 1900 | 33 | 2100 | 7.7 | 2400 | |
| 20.3 | 69 | 1950 | 14.8 | 1700 | 44 | 2000 | 9.8 | 1900 | 24.6 | 2100 | 5.7 | 2400 | |
| 25 | 56 | 2000 | 12.3 | 1700 | 36 | 2100 | 8.3 | 1900 | 20.0 | 2300 | 5.1 | 2400 | |

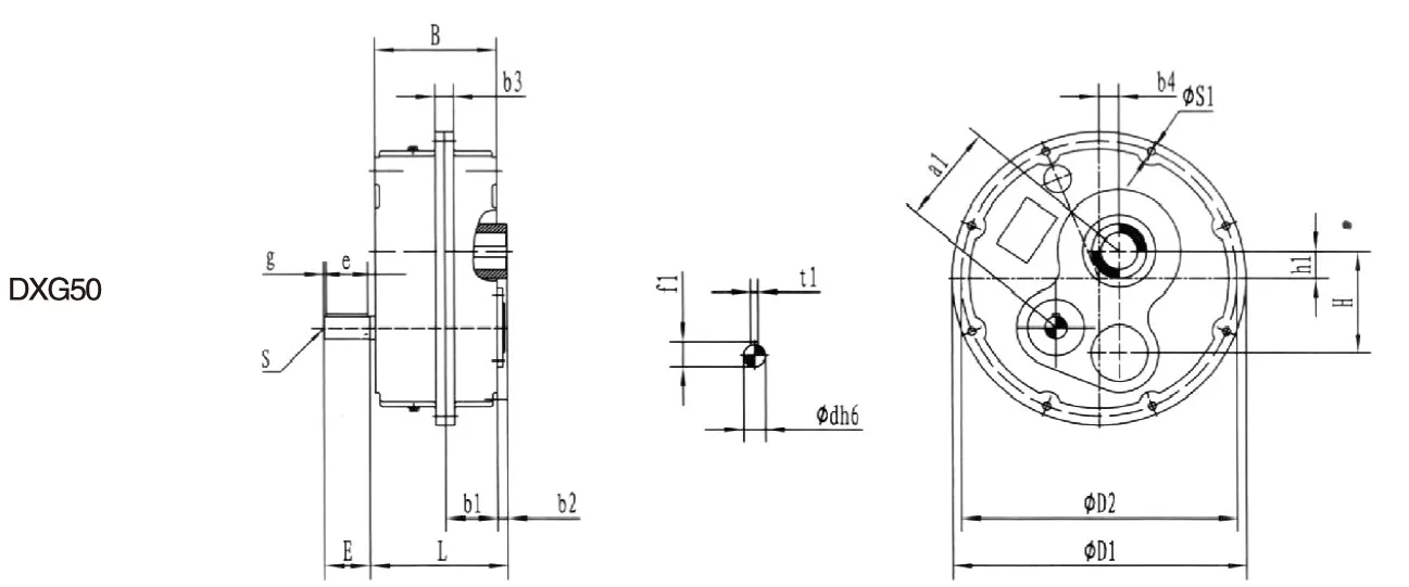
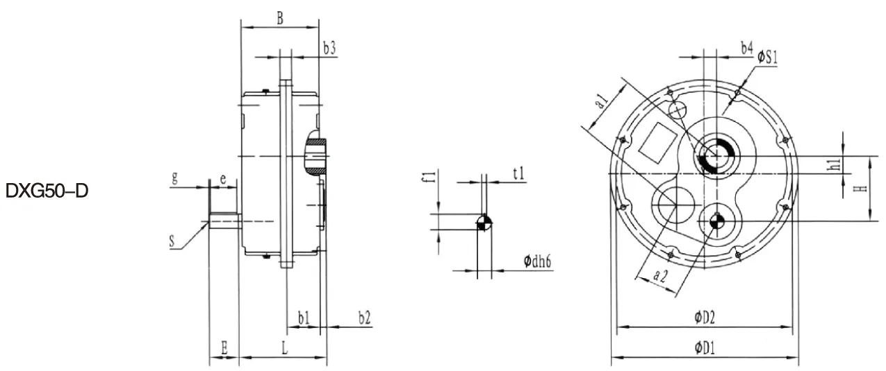
| Model | 外部尺寸 Outside dimensions | 重量Weight | |||||||||||||||||||
| a1 | a2 | H | h1 | B | b1 | b2 | b3 | b4 | D1 | D2 | d | E | e | g | f1 | t1 | S | s1 | L | (kg) | |
| DXG50 | 140 | 117 | 143 | 40 | 165 | 68 | 15 | 24.5 | 46 | 435 | 410 | 38 | 80 | 70 | 5 | 41 | 10 | M12 | 11 | 194 | 58 |
| DXG50-D | 62 | ||||||||||||||||||||

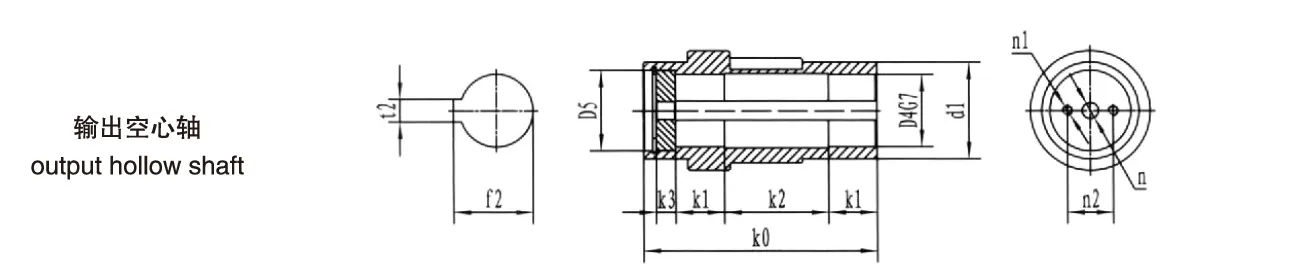
| Model | Dimensions of output hollow shaft | ||||||||||||
| d1 | D4 | D5 | K0 | K1 | K2 | K3 | f2 | t2 | n | n1 | n2 | ||
| DXG50 | Φ50 | 85 | 50 | 60 | 182 | 40 | 80 | 14 | 53.8 | 14 | M16 | - | - |
| Φ55 | 55 | 65 | 59.3 | 16 | 17 | - | - | ||||||
| Φ60 | 60 | 70 | 64.4 | 18 | M12 | 42 | |||||||
![]() | ![]() |
![]() | ![]() |
![]() | ![]() |
Address
Luotuo Industrial Area, Zhenhai District, Ningbo City, China
Tel
