DXG60/DXG60 D Series Shaft Mounted Gearbox for Conveyor and Material Handling
The ATA (DXG) series shaft-mounted gearboxes are designed for quarry and mine applications and produce fantastic reliability with a low maintenance requirement. The robust and sturdy ductile iron housing is ideally suited for outdoor installation, and it comes with up to three optional output shaft bore diameters.
The output shaft can rotate in two directions, with clockwise as the default setting while counter-clockwise is the customizable setting. There is an optional backstop for all models in the ATA (DXG) series shaft mounted gearbox apart from the ATA30, which prevents back-driving when used with incline conveyors. With dimensions, the same as the Replacement of Bonfiglioli from the ATA Series, the ATA (DXG) Series features a double-lipped oil seal that is also dust-proof.
Applications of the ATA (DXG) series shaft mounted gearbox include it being widely used in belt conveyor and pulley drive systems, especially in the material handling industry, including quarrying and mining. As well as in different kinds of mining equipment, you will see the ATA (DXG) series shaft mounted gearbox at work at concrete batching plants, in stone crushing equipment, and in sand-making production lines.

| Models | Output Bore Dia. | Maximum Torque | Nominal Ratio(i) |
| ATA30 | 30mm | 180Nm | 571012.515202531 |
| ATA35 | 35mm | 420Nm | |
| ATA40 | 40mm/45mm | 950Nm | |
| ATA45 | 45mm/50mm/55mm | 1400Nm | |
| ATA50 | 50mm/55mm/60mm | 2300Nm | |
| ATA60 | 60mm/70mm | 3600Nm | |
| ATA70 | 70mm/85mm | 5100Nm | |
| ATA80 | 80mm/100mm | 7000Nm | |
| ATA100 | 100mm/125mm | 11000Nm | |
| ATA125 | 125mm/135mm | 17000Nm |
| Model | i | n1=1400r/min | n1=900r/min | n1=500r/min | |||||||||
| n2 | Mn2 | Pn1 | Rn1 | n2 | Mn2 | Pn1 | Rn1 | n2 | Mn2 | Pn1 | Rn1 | ||
| r/min | N/m | kW | N | r/min | N/m | kW | N | r/min | N/m | kW | N | ||
| DXG60 | 5 | 280 | 1900 | 57 | 3200 | 180 | 2100 | 41 | 3600 | 100 | 2900 | 32 | 4500 |
| DXG60-D | 10 | 140 | 3100 | 48 | 2600 | 90 | 3200 | 32 | 2900 | 50 | 3300 | 18.2 | 3600 |
| 12.2 | 114 | 3100 | 39 | 2600 | 74 | 3200 | 26 | 2900 | 41 | 3300 | 14.9 | 3600 | |
| 15 | 93 | 3200 | 33 | 2600 | 60 | 3300 | 22 | 2900 | 33 | 3550 | 13.0 | 3600 | |
| 20.3 | 69 | 3250 | 25 | 2600 | 44 | 3400 | 16.6 | 2900 | 24.6 | 3550 | 9.6 | 3600 | |
| 25.3 | 55 | 3300 | 20 | 2600 | 36 | 3500 | 13.9 | 2900 | 19.8 | 3600 | 7.9 | 3600 | |

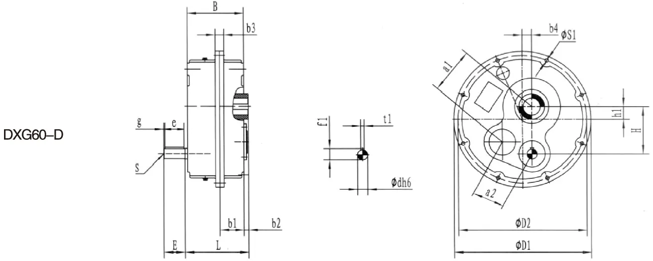
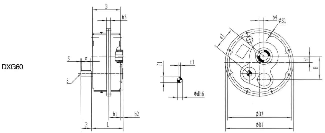
| Model | 外部尺寸 Outside dimensions | 重量Weight | |||||||||||||||||||
| a1 | a2 | H | h1 | B | b1 | b2 | b3 | b4 | D1 | D2 | d | E | e | g | f1 | t1 | S | s1 | L | (kg) | |
| DXG60 | 162 | 130 | 174 | 47 | 182 | 73 | 16 | 28.5 | 48 | 500 | 468 | 42 | 110 | 100 | 5 | 45 | 12 | M12 | 13 | 206 | 88 |
| DXG60-D | 38 | 80 | 70 | 41 | 10 | 102 | |||||||||||||||

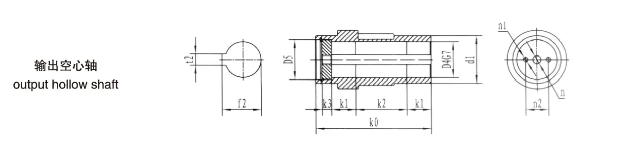
| Model | 输出空心轴的尺寸Dimensions of output hollow shaft | |||||||||||
| d1 | D4 | D5 | K0 | K1 | K2 | K3 | f2 | t2 | n | n1 | ||
| DXG60 | Φ60 | 100 | 60 | 70 | 199 | 45 | 85 | 14 | 64.4 | 18 | M12 | 42 |
| Φ70 | 70 | 85 | 16 | 74.9 | 20 | M16 | 50 | |||||



![]() | ![]() |
![]() | ![]() |
Address
Luotuo Industrial Area, Zhenhai District, Ningbo City, China
Tel
