DXG70/DXG70 D Series Shaft Mounted Gearbox for Material Handling Industry
The shaft-mounted gearbox or speed reducer is one of the most versatile drives with a wide ratio range and bore sizes. The gearbox is suspended on the driven machinery’s power-in shaft through the reducer’s bore. Costly alignment work is avoided as no footplate or flange is required. No coupling or expensive adjustable base plate is necessary for the motor. It’s a V-belt between the motor and shaft-mounted gear reducer. A telescopic torque rod is shortened or extended to swing the shaft-mounted gearbox about its output hub to tension the belt.The shaft-mounted speed reducer gearbox is of compact and rugged design. The gears and pinion shafts are duly hardened, tempered, and ground. The highest quality standard allows the shaft-mounted gearbox to be applied in harsh conditions, particularly in a corrosive environment. Shaft mounted gearbox is extensively used in elevator convoys, belt conveyors, scraper conveyors, and other machinery requiring the same installation.

| LO: | Unless the customer has unique requirements, the gearbox will not be oiled when leaving the factory. The oil quantity shall be determined according to the installation method specified when ordering. |
| N: | Must rotate in counterclockwise |
| S: | Must rotate in clockwise |
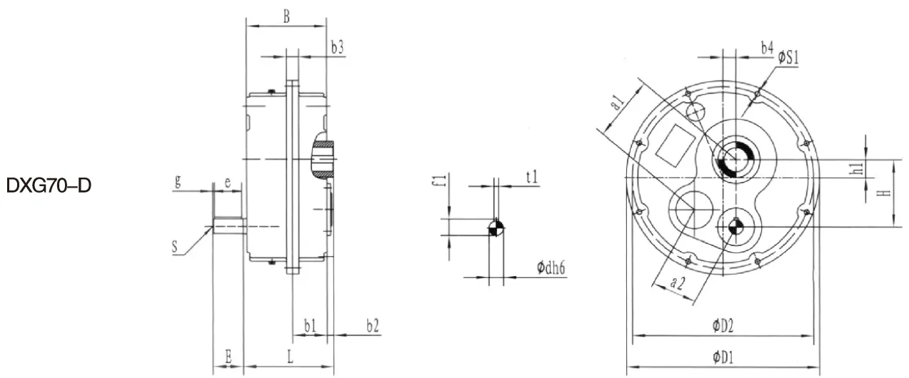
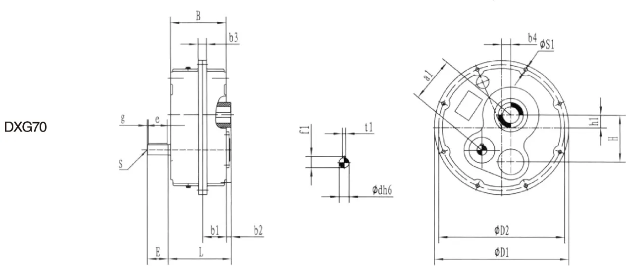
| Mounting orientation(type): | A, B, C, D, VA, VB |
| Rotation direction: | L—Rotation with positive and negative directionN—With a backstop, it makes rotation counterclockwise that facing the input shaftS—With a backstop, it makes rotation clockwise that meeting to the input shaft |
| Gear ratio: | 5, 10-31 |
| Dimensions of output hollow shaft: | Φ30,Φ35,Φ40,Φ40,Φ50,Φ55,Φ60,Φ70,Φ80,Φ85,Φ100,Φ125,Φ135 |
| Transmission stage: | D—second stage transmission, will be single stage transmission without the letter “D” behind the frame |
| Model number: | 30 35 40 45 50 60 70 80 100 125 |
| Model | i | n1=1400r/min | n1=900r/min | n1=500r/min | |||||||||
| n2 | Mn2 | Pn1 | Rn1 | n2 | Mn2 | Pn1 | Rn1 | n2 | Mn2 | Pn1 | Rn1 | ||
| r/min | N/m | kW | N | r/min | N/m | kW | N | r/min | N/m | kW | N | ||
| DXG70 | 5 | 280 | 2600 | 78 | 3700 | 180 | 3000 | 58 | 4200 | 100 | 4000 | 43 | 5200 |
| DXG70-D | 10 | 140 | 3800 | 59 | 3400 | 90 | 4400 | 44 | 3800 | 50 | 4500 | 25 | 4750 |
| 12.2 | 115 | 4000 | 51 | 3400 | 74 | 4400 | 36 | 3800 | 41 | 4500 | 20 | 4750 | |
| 15 | 93 | 4400 | 45 | 3400 | 60 | 4500 | 30 | 3800 | 33 | 4900 | 18.0 | 4750 | |
| 20.3 | 69 | 4500 | 34 | 3400 | 44 | 4600 | 22 | 3800 | 24.6 | 5000 | 13.6 | 4750 | |
| 25 | 56 | 4600 | 28 | 3400 | 36 | 4900 | 19.4 | 3800 | 20.0 | 5100 | 11.2 | 4750 | |
| 30.3 | 46 | 4600 | 23 | 3400 | 29.6 | 4900 | 16.0 | 3800 | 16.4 | 5100 | 9.2 | 4750 | |

| Model | 外部尺寸 Outside dimensions | 重量Weight | |||||||||||||||||||
| a1 | a2 | H | h1 | B | b1 | b2 | b3 | b4 | D1 | D2 | d | E | e | g | f1 | t1 | S | s1 | L | (kg) | |
| DXG70 | 182 | 139 | 188 | 52 | 205 | 84 | 18 | 28.5 | 53 | 550 | 520 | 48 | 110 | 100 | 5 | 51.5 | 14 | M16 | 13 | 228 | 115 |
| DXG70-D | 42 | 45 | 12 | M12 | 129 | ||||||||||||||||

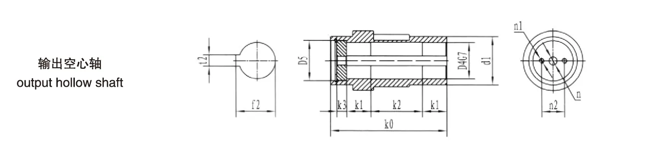
| Model | 输出空心轴的尺寸Dimensions of output hollow shaft | ||||||||||||
| d1 | D4 | D5 | K0 | K1 | K2 | K3 | f2 | t2 | n | n1 | n2 | ||
| DXG70 | Φ70 | 120 | 70 | 85 | 223 | 50 | 93 | 16 | 74.9 | 20 | 22 | M16 | 50 |
| Φ85 | 85 | 100 | 18 | 90.4 | 22 | 65 | |||||||
![]() | ![]() |
| DXG Series Shaft Mounted Conveyor Gearbox Used in Mining Industry | DXG Series Shaft Mounted Gearbox Configured with Motorized Pulley |
![]() | ![]() |
| DXG Series Shaft Mounted Gearbox Applied to Conveyor | Electric Roller Configured with DXG Shaft Mounted Gearbox |
![]() | ![]() |
![]() | ![]() |
Address
Luotuo Industrial Area, Zhenhai District, Ningbo City, China
Tel
