DXG80/DXG80 D Series Shaft Mounted Gearbox for Quarrying and Mining Industry
ATA(DXG) series shaft mounted gearbox(speed reducer) with helical hardened gears has the characteristics of high carrying capacity, smooth transmission, lightweight, low energy consumption, and so on. The input shaft of the ATA(DXG) speed reducer is connected to the gear motor by a belt pulley, the hollow output shaft is linked with a key. It can be replaced by an electric drum as power for belt conveyors and lifting equipment. ATA(DXG) series shaft mounted gearbox could be attached with a back-stop to avoid the working machine back skating, and conveniently mounted by a tie rod. ATA(DXG) series shaft mounted speed reducer is widely applied in mining equipment, concrete mixing batching plants, stone crushers, sand-making production lines and other belt conveyors, and mechanical transmission areas.Mechanical belt conveyors drive system is composed of ATA(DXG) shaft mounted speed reducer, torque arm, pulleys, and gear motors, whose power transmission from the gear motor to the gearbox through the pulley, and then the speed reducer passed to the drive pulley through the hollow output shaft and the gearbox is fixed by torque arm, the anti-slip device can be configured. The system is convenient to install, use and maintain.
| Model | i | n1=1400r/min | n1=900r/min | n1=500r/min | |||||||||
| n2 | Mn2 | Pn1 | Rn1 | n2 | Mn2 | Pn1 | Rn1 | n2 | Mn2 | Pn1 | Rn1 | ||
| r/min | N/m | kW | N | r/min | N/m | kW | N | r/min | N/m | kW | N | ||
| DXG80 | 5 | 280 | 3700 | 111 | 4550 | 180 | 4200 | 81 | 5100 | 100 | 5000 | 54 | 6400 |
| DXG80-D | 10 | 140 | 5500 | 85 | 4200 | 90 | 6100 | 60 | 4700 | 50 | 6300 | 35 | 5900 |
| 12.5 | 112 | 5500 | 68 | 4200 | 72 | 6100 | 48 | 4700 | 40 | 6300 | 28 | 5900 | |
| 15 | 93 | 6100 | 63 | 4200 | 60 | 6300 | 42 | 4700 | 33 | 6600 | 24 | 5900 | |
| 20.6 | 69 | 6100 | 46 | 4200 | 44 | 6300 | 31 | 4700 | 24.6 | 6600 | 17.9 | 5900 | |
| 25 | 56 | 6300 | 39 | 4200 | 36 | 6600 | 26 | 4700 | 20.0 | 7000 | 15.4 | 5900 | |
| 30.25 | 45 | 6300 | 31 | 4200 | 28.8 | 6600 | 21 | 4700 | 16.0 | 7000 | 12.3 | 5900 | |

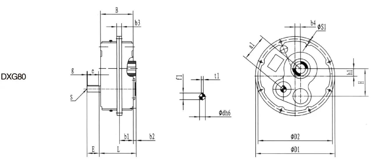
| Model | 外部尺寸 Outside dimensions | 重量Weight | |||||||||||||||||||
| a1 | a2 | H | h1 | B | b1 | b2 | b3 | b4 | D1 | D2 | d | E | e | g | f1 | t1 | S | s1 | L | (kg) | |
| DXG80 | 202 | 152 | 207 | 58 | 228 | 94 | 21 | 32.5 | 58 | 597 | 570 | 48 | 110 | 100 | 5 | 51.5 | 14 | M16 | 13 | 255 | 155 |
| DXG80-D | 170 | ||||||||||||||||||||

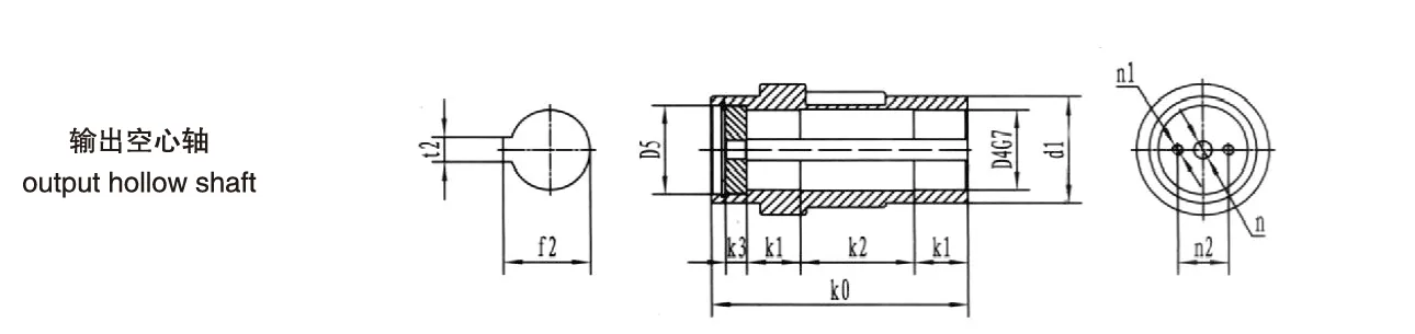
| Model | 输出空心轴的尺寸Dimensions of output hollow shaft | ||||||||||||
| d1 | D4 | D5 | K0 | K1 | K2 | K3 | f2 | t2 | n | n1 | n2 | ||
| DXG80 | Φ80 | 140 | 80 | 95 | 249 | 55 | 109 | 18 | 85.4 | 22 | 22 | M16 | 60 |
| Φ100 | 100 | 120 | 107 | 20 | 106.4 | 28 | 26 | M20 | 78 | ||||

![]() | ![]() | ![]() |
![]() | ![]() |
![]() | ![]() |
Address
Luotuo Industrial Area, Zhenhai District, Ningbo City, China
Tel
