High Pressure Banjo Tee-TH-R Hydraulic Fittings
The High Pressure Banjo Tee-TH-R Hydraulic Fittings are specialized hydraulic fittings designed for high-pressure applications in hydraulic systems. These fittings are commonly used in industries such as oil and gas, construction, agriculture, and manufacturing.Here's a breakdown of the components and features of the High Pressure Banjo Tee-TH-R Hydraulic Fittings:1. Banjo Bolt: The banjo bolt is a hollow bolt with a through-hole in the middle. It features a cylindrical head with a flat sealing surface and a threaded portion that connects to the hydraulic system. The banjo bolt allows fluid to flow through the through-hole while maintaining a secure connection.2. Banjo Fitting: The banjo fitting is a hollow, cylindrical component with a hole drilled through its side. It is designed to fit over the banjo bolt, creating a connection point for hydraulic hoses or pipes. The banjo fitting typically has a flat sealing surface on one end to ensure a leak-free connection with the banjo bolt.3. Tee Fitting: The tee fitting, as the name suggests, has a T-shaped configuration. It allows for the connection of three hydraulic hoses or pipes at a single point. The tee fitting is often used in hydraulic systems where multiple lines need to be connected or branched out from a central point.4. TH-R Connection: The TH-R connection refers to the thread type used in these fittings. It stands for "Threaded Hose Ring" and typically features a metric thread pattern. The TH-R connection ensures a secure and leak-free connection when attaching hydraulic hoses or pipes to the banjo fitting or tee fitting.

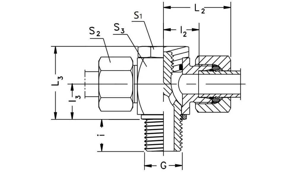
| TH-RPart NO. | Series Working Pressure (bar/psi) | Tube O.d | Gmale thread | i | l2 | l3 | L2 | L3 | S1 | S2 | S3 |
| TH06LR | L light 250 bar3625 psi | 6 | G 1/8A | 8 | 12 | 10.5 | 27 | 24 | 17 | 14 | 17 |
| TH08LR | 8 | G 1/4A | 12 | 14.5 | 14 | 29 | 30 | 19 | 17 | 22 | |
| TH10LR | 10 | G 1/4A | 12 | 15.5 | 14 | 30 | 30 | 19 | 19 | 22 | |
| TH12LR | 12 | G 3/8A | 12 | 18 | 16.5 | 33 | 36 | 24 | 22 | 27 | |
| TH15LR | 15 | G 1/2A | 14 | 21.5 | 21.5 | 37 | 45 | 30 | 27 | 32 | |
| TH18LR | 18 | G 1/2A | 14 | 21 | 21.5 | 37 | 45 | 30 | 32 | 32 | |
| TH22LR | 160 bar2320 psi | 22 | G 3/4A | 16 | 27.5 | 24 | 44 | 53 | 36 | 36 | 41 |
| TH28LR | 28 | G 1A | 18 | 32 | 30.5 | 49 | 66 | 46 | 41 | 50 | |
| TH35LR | 35 | G 1 1/4A | 20 | 36 | 35.5 | 58 | 76 | 55 | 50 | 60 | |
| TH42LR | 42 | G 1 1/2A | 22 | 40.5 | 40.5 | 63 | 87 | 60 | 60 | 70 | |
| TH06SR | S heavy 315 bar4560 psi | 6 | G 1/4A | 12 | 16.5 | 14 | 31 | 30 | 19 | 17 | 22 |
| TH08SR | 8 | G 1/4A | 12 | 16.5 | 14 | 31 | 30 | 19 | 19 | 22 | |
| TH10SR | 10 | G 3/8A | 12 | 18.5 | 16.5 | 35 | 36 | 24 | 22 | 27 | |
| TH12SR | 12 | G 3/8A | 12 | 18.5 | 16.5 | 35 | 36 | 24 | 24 | 27 | |
| TH14SR | 14 | G 1/2A | 14 | 22.5 | 21.5 | 40 | 45 | 30 | 27 | 32 | |
| TH16SR | 16 | G 1/2A | 14 | 22 | 21.5 | 40 | 45 | 30 | 30 | 32 | |
| TH20SR | 160 bar2320 psi | 20 | G 3/4A | 16 | 26.5 | 24 | 48 | 53 | 36 | 36 | 41 |
| TH25SR | 25 | G 1A | 18 | 31.5 | 30.5 | 56 | 66 | 46 | 46 | 50 | |
| TH30SR | 30 | G 1 1/4A | 20 | 37 | 35.5 | 64 | 76 | 55 | 50 | 60 | |
| TH38SR | 38 | G 1 1/2A | 22 | 41.5 | 40.5 | 72 | 87 | 60 | 60 | 70 |



Address
Luotuo Industrial Area, Zhenhai District, Ningbo City, China
Tel
