HS1 Steel Hubs for S1 Split Taper Bushings
HS1 steel hubs are a type of hub used in power transmission systems, particularly in applications where it is necessary to connect a shaft to a pulley or sprocket. These HS1 hubs are designed to work with split taper bushings, which are used to secure the hub to the shaft.The HS1 steel hubs are made from high-quality steel and are designed to provide a secure and reliable connection between the shaft and the pulley or sprocket. The HS1 hubs have a tapered bore that matches the taper on the split taper bushing, which allows the hub to be easily mounted on the bushing and then tightened down to the shaft.One of the benefits of using HS1 steel hubs for split taper bushings is that they provide a secure and precise fit, which helps to reduce vibration and ensure the smooth operation of the power transmission system. Additionally, because the HS1 hubs and split taper bushings can be easily mounted and removed, they allow for easy maintenance and replacement of components without the need for expensive tools or equipment.Overall, HS1 steel hubs for split taper bushings are a reliable and efficient solution for connecting shafts to pulleys or sprockets in power transmission systems.

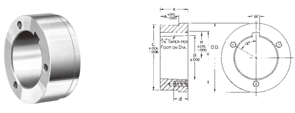
| Part No. | HS1 Steel Hubs | |
| For Bushing | S1 Split Taper Bushings | |
| Dimensions | O.D. | 6 3/4" |
| A | 0.946" | |
| B | 4.625" | |
| C | 6.500" | |
| K | 2 9/16" | |
| V | 5 3/8" | |
| W | 3/4" | |
| X | 3 5/16" | |
| a | 60° | |
| Tapped Holes | d | 1 5/8" |
| No. | 3 | |
| Size | 1/2-13 | |
| Wt. Lbs. | 17.3 | |
![]() | ![]() |
![]() | ![]() |
![]() | ![]() |
Address
Luotuo Industrial Area, Zhenhai District, Ningbo City, China
Tel
