HS2 Steel Hubs for S2 Split Taper Bushings
HS2 steel hubs are a type of mechanical component used in power transmission systems. Specifically, they are designed to be used in conjunction with split taper bushings, which are commonly used to mount various types of rotating equipment (such as pulleys, sprockets, and gears) onto shafts.The HS2 steel hub is a solid, cylindrical component that typically has a keyway machined into it to allow for accurate alignment and torque transmission. The HS2 hub is designed with a tapered bore that matches the taper on the split taper bushing, which allows the bushing to be easily and securely mounted onto the hub.The split taper bushing is inserted into the tapered bore of the hub and tightened using a set of screws. This creates a secure, concentric connection between the hub and the bushing, which in turn allows the mounted equipment to rotate smoothly and transmit power efficiently.HS2 steel hubs are typically made from high-strength, heat-treated steel to provide durability and resistance to wear and fatigue. They are commonly used in a variety of industrial applications, such as manufacturing, mining, and construction, where reliable power transmission is essential.

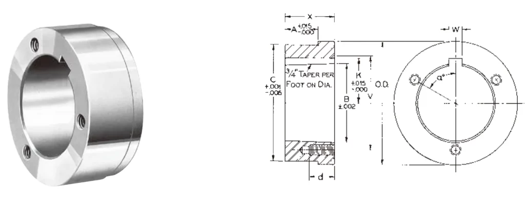
| Part No. | HS2 Steel Hubs | |
| For Bushing | S2 Split Taper Bushings | |
| Dimensions | O.D. | 6 3/4" |
| A | 2.963" | |
| B | 4.625" | |
| C | 6.500" | |
| K | 2 9/16" | |
| V | 5 3/8" | |
| W | 3/4" | |
| X | 5 11/16" | |
| a | 60° | |
| Tapped Holes | d | 1 5/8" |
| No. | 3 | |
| Size | 1/2-13 | |
| Wt. Lbs. | 30.4 | |
![]() | ![]() |
![]() | ![]() |
| Split Taper Bushed Weld-On Hub | QD Type Weld-On Hub |
![]() | ![]() |
Address
Luotuo Industrial Area, Zhenhai District, Ningbo City, China
Tel
