HW1 Steel Hubs for W1 Split Taper Bushings
HW1 steel hubs are components used in power transmission systems, specifically with split taper bushings. Split taper bushings are a type of mechanical component used to mount shafts to a hub or pulley. They consist of a tapered bushing with a split through its length, which allows it to be clamped tightly around a shaft.The HW1 steel hub is designed to work specifically with split taper bushings. It has a tapered bore that matches the taper of the bushing, and a keyway to transmit torque from the shaft to the hub. The hub is made of steel, which provides strength and durability and is often used in heavy-duty industrial applications where high torque and reliability are required.The HW1 steel hub is typically used in conjunction with other power transmission components such as V-belt pulleys, timing pulleys, and sprockets. It is important to select the appropriate size and type of hub and bushing for your application to ensure proper fit and reliable operation.

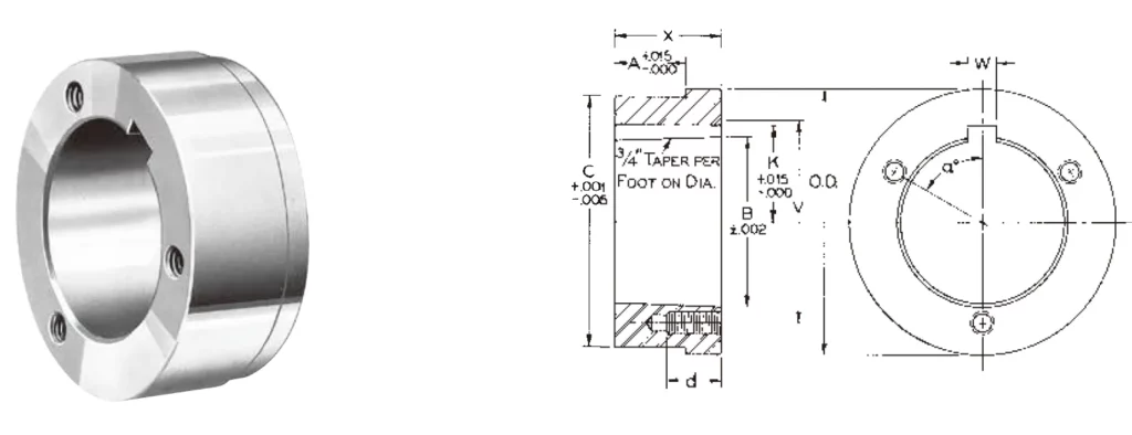
| Part No. | HW1 Steel Hubs | |
| For Bushing | W1 Split Taper Bushings | |
| Dimensions | O.D. | 12 1/2" |
| A | 2.963" | |
| B | 8.500" | |
| C | 12.250" | |
| K | 4 9/16" | |
| V | 10" | |
| W | 1 1/4" | |
| X | 6 3/8" | |
| a | 22 1/2" | |
| Tapped Holes | d | 1 3/4" |
| No. | 4 | |
| Size | 3/4-10 | |
| Wt. Lbs. | 130.0 | |
![]() | ![]() |


![]() | ![]() |
Address
Luotuo Industrial Area, Zhenhai District, Ningbo City, China
Tel
