XTB50 Bushings for Conveyor Pulleys
XTB50 bushings are a type of locking mechanism used to mount conveyor pulleys onto shafts. They are designed to fit onto a conveyor pulley's hub and create a tight fit between the hub and the shaft. This prevents slippage and ensures that the pulley rotates smoothly and consistently.The XTB50 bushing is a split bushing that is installed by tightening a series of screws around the circumference of the bushing. As the screws are tightened, the bushing presses against the shaft, creating a secure and reliable connection. The XTB50 bushing is well-suited for high-torque applications and is commonly used in heavy-duty conveyor systems.Overall, XTB50 bushings are a reliable and effective solution for securing conveyor pulleys to shafts, ensuring that the conveyor system operates smoothly and efficiently.

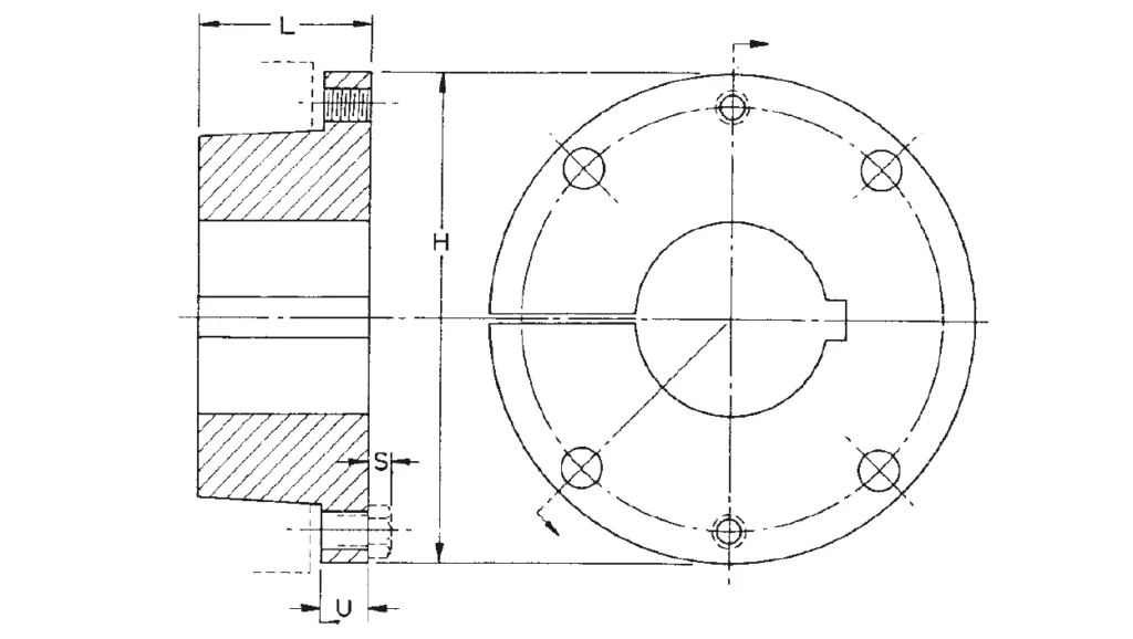
| Bushing Part No. | XTB50 Bushings | |
| Dimensions | L | 3 3/4" |
| U | 1" | |
| H | 10 1/8" | |
| S | 15/32" | |
| Cap Screws | No | 4 |
| Size | 3/4" X 2 1/2" | |
| Wt lbs | 27.8 | |
| Bushing Part No. | Stock Bores | Keyseat | Key Supplied |
| XTB50 Bushing | 3 15/16", 4 7/16"4 15/16" | 1" X 1/2"1 1/4" X 5/8" | nonenone |

![]() | ![]() |
| XT Bushings | QD Bushings |
![]() | ![]() |
Address
Luotuo Industrial Area, Zhenhai District, Ningbo City, China
Tel
