XTB80 Bushings for Conveyor Pulleys
XTB80 bushings are precision-manufactured bushings made for XT-type hubs. They are utilized in a variety of applications, such as belt pulleys, sprockets, and drums. XTB80 bushings are a reliable and durable option for conveyor pulleys. They are easy to install and remove, and they can withstand the harsh conditions of conveyor applications.One of the key features of XTB80 bushings is their advanced design, which includes a unique flange that helps to distribute the load evenly across the bushing and pulley hub. This design helps to reduce stress and wear on both the bushing and the pulley, which can extend the life of the entire system and reduce maintenance costs.XTB80 bushings are also easy to install and remove, thanks to their self-locking design. This means that they can be quickly and easily installed or removed without the need for additional tools or specialized equipment.Overall, XTB80 bushings are an excellent choice for any application that requires reliable and efficient conveyor pulley performance. Whether you are working in mining, aggregates, or other heavy-duty industries, these bushings can help to improve the performance and longevity of your conveyor system.

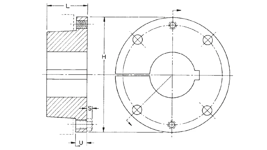
| Bushing Part No. | XTB80 Bushings | |
| Dimensions | L | 5 1/8" |
| U | 1 3/8" | |
| H | 15 5/8" | |
| S | 11/16" | |
| Cap Screws | No | 4 |
| Size | 1 1/8" X 3 1/2" | |
| Wt lbs | 85.7 | |
| Bushing Part No. | Stock Bores | Keyseat | Key Supplied |
| XTB80 Bushing | 7 1/2",7 15/16", 8" | 1 3/4" X 3/4"2" X 3/4" | nonenone |
![]() | ![]() |
![]() | ![]() |
![]() | ![]() |
Address
Luotuo Industrial Area, Zhenhai District, Ningbo City, China
Tel
