SM2012 Taper Bore Bolt-On Hubs
The SM2012 taper bore bolt-on hubs are designed to be used with 2012 taper lock bushings. These hubs are used to connect various mechanical components, such as pulleys, sprockets, or gears, to a shaft. The term "taper bore" refers to the shape of the hub's inner bore. It is tapered, which means it narrows towards the center. This design allows for a tight and secure fit when used with a corresponding tapered bushing.The 2012 taper lock bushings are specifically designed for use with the SM2012 taper bore bolt-on hubs. These bushings have a tapered inner surface that matches the taper of the hub's bore. They are used to provide a mechanical interference fit between the hub and the shaft, ensuring a solid connection that can transmit torque effectively.To install the SM2012 taper bore bolt-on hubs onto a shaft, the 2012 taper lock bushing is first mounted onto the shaft. The hub is then placed over the bushing, and a series of bolts are tightened to secure the hub in place. The taper of the bushing and hub creates a wedging action that locks them together, preventing any relative motion between the hub and the shaft under normal operating conditions.The SM2012 taper bore bolt-on hubs and 2012 taper lock bushings are commonly used in power transmission applications, where a reliable and secure connection between shafts and rotating components is required. They offer easy installation and removal, making maintenance and component replacement more convenient.
![]() | ![]() |
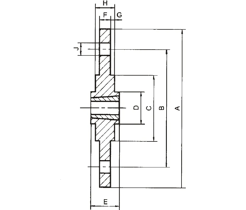
| Specification | SM2012 Taper Bore Bolt-On Hubs | |
| Bushing No. | 2012 Taper Lock Bushings | |
| Main dimension | A | 146 |
| B | 125 | |
| Chp | 115 | |
| D | 110 | |
| E | 32 | |
| F | 8.5 | |
| G | 2.5 | |
| H | 13.5 | |
| Screw hole nx. J | 8 X Φ7.5 | |
![]() | ![]() |
![]() | ![]() |
Address
Luotuo Industrial Area, Zhenhai District, Ningbo City, China
Tel
