SM3020 Taper Bore Bolt-On Hubs
SM3020 taper bore bolt-on hubs are designed to be used with 3020 taper lock bushings. These hubs are used in power transmission applications to secure components such as pulleys, sprockets, or gears to a shaft. The "Taper Bore" refers to the shape of the hub's bore, which is tapered to match the corresponding taper on the taper lock bushings. This tapered design provides a secure and reliable connection between the hub and the bushing.The "Bolt-On" feature indicates that the hub is affixed to the component using bolts or screws. The number and size of the bolts or screws may vary depending on the specific hub design and application requirements.Taper lock bushings are used to mount components onto a shaft without the need for keyways or set screws. The bushing is placed inside the hub's tapered bore, and as the bushing is tightened, it expands and creates a tight grip on the shaft. This locking mechanism allows for easy installation, removal, and repositioning of components.When selecting SM3020 taper bore bolt-on hubs and 3020 taper lock bushings, it is important to ensure compatibility with the shaft size, torque requirements, and application specifications. The specific dimensions and technical details of these components should be obtained to ensure proper selection and installation.
![]() | ![]() |
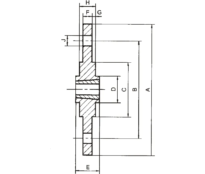
| Specification | SM3020 Taper Bore Bolt-On Hubs | |
| Bushing No. | 3020 Taper Lock Bushings | |
| Main dimension | A | 220 |
| B | 190 | |
| Chp | 160 | |
| D | 160 | |
| E | 51 | |
| F | 13.5 | |
| G | 2.5 | |
| H | 18.5 | |
| Screw hole nx. J | 8 X Φ13.5 | |

![]() | ![]() |
![]() | ![]() |
Address
Luotuo Industrial Area, Zhenhai District, Ningbo City, China
Tel
