XTB70 Bushings for Conveyor Pulleys
XTB70 bushings are a type of bushing used for conveyor pulleys. They are designed to provide a secure and precise fit between the shaft of the conveyor pulley and the bore of the pulley's hub. The XTB70 bushing is typically made of steel and has a tapered design that allows it to be easily installed and removed from the pulley shaft.The XTB70 bushing is commonly used in heavy-duty conveyor systems that require reliable and efficient power transmission. It provides a strong and durable connection between the pulley and the shaft, which helps to reduce wear and extend the life of the conveyor system. Additionally, the XTB70 bushing is designed to minimize vibration and noise, which can further improve the performance and reliability of the conveyor system.

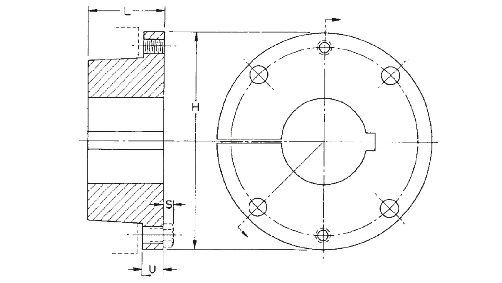
| Bushing Part No. | XTB70 Bushings | |
| Dimensions | L | 4 11/16" |
| U | 1 5/16" | |
| H | 13 15/16" | |
| S | 5/8" | |
| Cap Screws | No | 4 |
| Size | 1" X 3" | |
| Wt lbs | 66.3 | |
| Bushing Part No. | Stock Bores | Keyseat | Key Supplied |
| XTB70 Bushing | 6 7/16", 61/2"6 15/16", 7" | 1 1/2" X 3/4"1 3/4" X 3/4" | nonenone |
![]() | ![]() |
![]() | ![]() |
![]() | ![]() |
Address
Luotuo Industrial Area, Zhenhai District, Ningbo City, China
Tel
